Aquasys - удобрения нового поколения
Украинский форум аквариумистов

Здравствуйте, гость ( Вход | Регистрация )




> ОХЛАЖДЕНИЕ аквариума - работа вентиляторов от термодатчика, во второй части - НАГРЕВ аквы через электронный термостат
Рейтинг 5 V
yarishNEW
сообщение 16.12.2010, 10:18
Сообщение #1


Читатель, звать Олег
*****
Группа: Журналисты
Сообщений: 11 751
Регистрация: 11.1.2010
Из: Кременчуг
Украина Украина
Благодарности: 22517 раз(а)


Топик отпочкован от темы в которой обсуждался вопрос освещения аквариума, был затронут вопрос нагрева лампами крышки и аквы (не только в летнее, но и зимнее время) - поэтому опять встал вопрос охлаждения аквы от перегрева. Несмотря на то, что данный вопрос неоднократно обсуждался - это тема даёт несколько другое направление - она рассматривает действующие электронные схемы автоматического включения вентиляторов обдува аквы при повышенной температуре с использованием термостата.

Цитата(VAleks @ 16.12.2010, 0:52) *
Летом наверно подумаю что-нибудь насчет вентиляторов.

Чё думать? - однозначно понадобятся - если можете паять электронику - могу предложить несложную схему на включение и выключение компьютерных вентиляторов от термодатчика - схема мною проверена и прекрасно работает - сейчас дорабатываю её для стабильной работы с грелкой на 220 вольт (схема регулирования нагрева рассматривается с 37 поста).

Сообщение отредактировал yarishNEW - 7.1.2011, 11:24


--------------------


5
Перейти в начало страницы
Вставить ник
+Цитировать сообщение
7 страниц V  < 1 2 3 4 > » 
Ответов (20 - 39)
yarishNEW
сообщение 28.12.2010, 15:34
Сообщение #21


Читатель, звать Олег
*****
Группа: Журналисты
Сообщений: 11 751
Регистрация: 11.1.2010
Из: Кременчуг
Украина Украина
Благодарности: 22517 раз(а)


Цитата(литовец @ 27.12.2010, 21:59) *
Сейчас в тестовом режиме.Есть не большой разброс.

А вот с этого места "...пожалуйста помедленней , я записываю"


--------------------


Благодарности:
Перейти в начало страницы
Вставить ник
+Цитировать сообщение
литовец
сообщение 28.12.2010, 21:08
Сообщение #22


Дмитрий-свой на Aquafanat.com.ua
*****
Группа: Журналисты
Сообщений: 4 390
Регистрация: 6.6.2009
Из: Клайпеда
Литва
Благодарности: 13451 раз(а)


hi.gif Честно говоря так до конца и не протестировал.Сказать могу только одно что схема предназначена для компа мне кажеться что ключь(кт829) до конца не закрывает некое напряжение присутствует.На работе конец года ревизии вечером только до постели.С 3 января будет две недели свободных доведу до ума.Отпишусь в Вашей теме(если Вы не против).


--------------------
каждый суслик в поле агроном.


Благодарности:
Перейти в начало страницы
Вставить ник
+Цитировать сообщение
yarishNEW
сообщение 28.12.2010, 21:31
Сообщение #23


Читатель, звать Олег
*****
Группа: Журналисты
Сообщений: 11 751
Регистрация: 11.1.2010
Из: Кременчуг
Украина Украина
Благодарности: 22517 раз(а)


Цитата(литовец @ 28.12.2010, 21:08) *
будет две недели свободных доведу до ума.Отпишусь в Вашей теме

Будем ждать результатов - можете ссылку бросить на какую-нибудь из Ваших тем.


--------------------


Благодарности:
Перейти в начало страницы
Вставить ник
+Цитировать сообщение
литовец
сообщение 28.12.2010, 21:40
Сообщение #24


Дмитрий-свой на Aquafanat.com.ua
*****
Группа: Журналисты
Сообщений: 4 390
Регистрация: 6.6.2009
Из: Клайпеда
Литва
Благодарности: 13451 раз(а)


hi.gif Своих тем про охлаждение не создавал.Как то только участвовал. А первоисточник здесь http://www.google.ru/imgres?imgurl=http://...%26tbs%3Disch:1

Сообщение отредактировал литовец - 28.12.2010, 21:45


--------------------
каждый суслик в поле агроном.


Благодарности:
Перейти в начало страницы
Вставить ник
+Цитировать сообщение
ollio
сообщение 29.12.2010, 0:33
Сообщение #25


Аквариумист
**
Группа: Пользователи
Сообщений: 54
Регистрация: 5.9.2010
Украина
Благодарности: 87 раз(а)


Цитата(yarishNEW @ 25.12.2010, 18:32) *
А писал, что с паяльником "на Вы" blink.gif - и тут же совмещаешь схему с фото 1 и фото 3 hi.gif.
Результаты обязательно отпиши.


Ну так ведь так и есть - первая железка, которую пытаюсь спаять. Потому даже пришлось прочитать книжку "радиоэлектроника для чайников" wink.gif

Вобщем собрато и опробовано все как и описывалось до этого в теме. Принципиально схема работает, разброс температур около 3-4 градусов, при чем обусловлен не схемой (сигнальный диод начинает тлеть уже при разбросе 1 градус, а ярко гореть на повышении температуры на 2 градуса). Так что схема вполне удачная.

Кстати, установка переменного резистора типа VR2 1Мом как на схемах 2,3 особого эффекта не дала, более того, усложняет настройку всего устройства - при попытке подкорректировать "наклон характеристики", а проще говоря скорость раскручивания кулера в более пологую сторону поднимается температура включения кулера. Вобщем убрал я его и в принципе хуже не стало, если уж так хочется регулировать частоту вращения, то как по мне - проще добавить тот же переменник непосредственно к кулеру - регулировка будет точнее.

Установка транзистора на выходе схемы действительно позволила чуть повысить выходную мощность, так что теперь кулер начинает вращаться довольно бодро, ток от заряки мобильника около 120 мА 8 В (хотя номинал кулера 500 мА 12 В). В связи с этим и большой разброс температур по устройству - кулер просто не может раскрутиться на малом токе.

Так что в полный рост встал вопрос нормального БП для схемы...вот вы меня так бодро отправили искать трасформатор для галогенок. После того как с феерверком из жизни ушел первый (кстати ушел неоднократно, а точнее 4 раза - перепаивались диоды, кондеры, резисторы... раз за разом БП взрывался). Взял второй и таки пошел читать что люди пишут. Кстати вот ссылочка, если кто будет пытаться - простой ИБП. К сожалению такой импульсный БП без нагрузки или при малом токе не запустится и работать не будет. Так что для нашей с вами схемы он просто не подходит sad.gif

Вывод: схема просто супер, так увлекло меня это дело, что решил позаниматься изготовлением печатной платы под него и пристроить в болшой 100 л. аквариум. Сделанная на коленке схема с навесным монтажом будет трудиться в меньшем аквариуме на 50 л. Осталось малость - компактный БП с мощностью не менее 6 Вт smile.gif

Пы.Сы. Кстати, из-за слабых БП (на такой же точно зарядке от мобилки висит ночная подстветка из синих диодов в аквариуме) при включении ночного света включается кулер (точнее падает порог включения вентилятора на пару градусов). Лечится установкой нормальных БП


Благодарности:
Перейти в начало страницы
Вставить ник
+Цитировать сообщение
yarishNEW
сообщение 29.12.2010, 10:06
Сообщение #26


Читатель, звать Олег
*****
Группа: Журналисты
Сообщений: 11 751
Регистрация: 11.1.2010
Из: Кременчуг
Украина Украина
Благодарности: 22517 раз(а)


Цитата(ollio @ 29.12.2010, 0:33) *
импульсный БП без нагрузки или при малом токе не запустится

К сожалению китаёзы для экономии деталей стали делать такие ИПБ - раньше выпускались другие которые нормально работали вообще без нагрузки (как ИПБ для мобилок).
Цитата(ollio @ 29.12.2010, 0:33) *
установка переменного резистора типа VR2 1Мом

В схеме которую сейчас сделал с тиристором на обогрев просто ставлю сопротивление на 300-400К и всё - схема работает стабильно+-0,5градуса - однако тонкость, работает только с таким разбросом на протоке т.е. термодатчик если стоит в "тенечке" то разброс 3-4градуса, а на протоке - всё нормально. Схеме на обогрев питаю от мобильного ИБП - напряжения хватает.


--------------------


Благодарности:
Перейти в начало страницы
Вставить ник
+Цитировать сообщение
VAleks
сообщение 30.12.2010, 13:32
Сообщение #27


Аквариумист
**
Группа: Пользователи
Сообщений: 89
Регистрация: 5.10.2010
Из: Мариуполь
Украина Украина
Благодарности: 89 раз(а)


Вот интересная идея и реализация
http://easyelectronics.ru/analogovyj-reobas.html
управлять не понижением напряжение, а длительностью импульса подачи тока

Прикрепленное изображение


--------------------
Если тебя выписали из сумасшедшего дома это ещё не значит что тебя вылечили. Просто ты стал как все.


Благодарности:
Перейти в начало страницы
Вставить ник
+Цитировать сообщение
литовец
сообщение 3.1.2011, 15:37
Сообщение #28


Дмитрий-свой на Aquafanat.com.ua
*****
Группа: Журналисты
Сообщений: 4 390
Регистрация: 6.6.2009
Из: Клайпеда
Литва
Благодарности: 13451 раз(а)


hi.gif Все таки нашлась у меня тема, полный отчет в ней Охлаждение. Использование турбинки от охлаждения видеокарт.


--------------------
каждый суслик в поле агроном.


Благодарности:
Перейти в начало страницы
Вставить ник
+Цитировать сообщение
литовец
сообщение 4.1.2011, 22:08
Сообщение #29


Дмитрий-свой на Aquafanat.com.ua
*****
Группа: Журналисты
Сообщений: 4 390
Регистрация: 6.6.2009
Из: Клайпеда
Литва
Благодарности: 13451 раз(а)


hi.gif yarishNEW Скажите на собранной Вами схеме питание на вентилятор выключается полностью?Если мерили напишите.


--------------------
каждый суслик в поле агроном.


Благодарности:
Перейти в начало страницы
Вставить ник
+Цитировать сообщение
ollio
сообщение 4.1.2011, 22:21
Сообщение #30


Аквариумист
**
Группа: Пользователи
Сообщений: 54
Регистрация: 5.9.2010
Украина
Благодарности: 87 раз(а)


Цитата(литовец @ 5.1.2011, 0:08) *
hi.gif yarishNEW Скажите на собранной Вами схеме питание на вентилятор выключается полностью?Если мерили напишите.


Своим ламерским языком попробую объяснить. Схему собрал, с приведенных картинок, все работает. Вентилятор выключается полностью.

Выход схемы мерял, работает так, когда напряжение на "+" входе компаратора больше "-" (т.е. температура превышает установленную), то на выходе компаратора появляется логическая единица, а по-человечески: " - 12 В ". Когда же вода охлаждается, напряжение на "+" входе компаратора меньше чем на "-" входе, и на выходе имеем логический 0, а по-человечески " +12 В". Т.о. если кулер минусовым выходом к компаратору,а плюсовым к плюсу схемы, то он не будет вращаться.

Я добавлял в схему PNP транзистор на выход компаратора, работает аналогично - когда на базу транзистора поступает положительный потенциал, транзистор заперт. Как только температура превышает порог - потенциал становится отрицательным и транзистор открывается, включает кулер.

На практике вентилятор гудит - да, есть такое, кгда температура на 1 градус больше установленной поднимается, на него начинает поступать ток, но малый. Но тут одно НО - у меня совсем слабый БП (5В; 250 мА), его мощности и на прямую еле хватате чтобы раскрутить большой кулер. Если поставить нормальный, соответствующий номиналу кулера то подобных явлений не будет.



Благодарности:
Перейти в начало страницы
Вставить ник
+Цитировать сообщение
bengard
сообщение 5.1.2011, 9:36
Сообщение #31


Новенький на форуме
*
Группа: Присматриваюсь
Сообщений: 8
Регистрация: 27.3.2009

Благодарности: 34 раз(а)


Вот проверенная схема.
Прикрепленное изображение


Эта схема применялась для инкубатора. Для того чтобы уменьшить разброс температуры включения-выключения введен стабилизатор на стабилитроне D2 и резисторе R6. Для того чтобы на пороге переключения не было дребезга введен конденсатор C1. Стабилитрон можно использовать любой с напряжением стабилизации до 6-7 вольт, при этом возможно придется подобрать резистор R6.

Блок питания можно сделать из зарядного устройства для сотовых телефонов, для этого нужно выпаять трансформатор и домотать вторичной обмотки. У меня такой блок питает самодельный таймер.

P.S. По этой схеме можно доработать приведенные выше схемы терморегуляторов введя в них стабилизатор и конденсатор.

Сообщение отредактировал bengard - 5.1.2011, 9:38


Перейти в начало страницы
Вставить ник
+Цитировать сообщение
yarishNEW
сообщение 5.1.2011, 22:44
Сообщение #32


Читатель, звать Олег
*****
Группа: Журналисты
Сообщений: 11 751
Регистрация: 11.1.2010
Из: Кременчуг
Украина Украина
Благодарности: 22517 раз(а)


Цитата(литовец @ 4.1.2011, 22:08) *
yarishNEW Скажите на собранной Вами схеме питание на вентилятор выключается полностью?
Вентилятор у меня выключается полностью и не гудит (в отличии от ollio) видимо от того, что применяется 12В блок питания. Есть небольшая разность по скорости на начальном этапе запуска, а затем на полную мошность ( т.е. работает так: стоит - набрал скорость 30% - набрал скорость 100% - вроде как ступенькой). Выключение происходит сразу - на выходе компаратора 1Вольт сохраняется (может из-за случайно подобравшихся таким образом элементов - не озадачивался этой проблемой), но вентилятор при этом не гудит.

Цитата(bengard @ 5.1.2011, 9:36) *
По этой схеме можно доработать приведенные выше схемы
На фото 2 и 3 уже есть цепочка обратной связи между ногой 2 и 7 компаратора.

bengard - схема приведенная Вами принципиально ничем не отличается от приведенных мною- типовая схема включения компаратора. Схемы которые использовал литовец и VAleks тоже неплохие, но я остановился на своих - они дали мне возможность сначала собрать схему для охлаждения, а затем на её основании сделать (и уже испытал 3 месяца) терморегулятор на нагрев (т.к. нагреватели делаю сам) с "ключевым" тиристором.
Думаю, что и моя и Ваша схема имеют общее достоинство - они работоспособны - если кто-то из форумчан воспользуется ими - это уже большой плюс этой теме.

Сообщение отредактировал yarishNEW - 5.1.2011, 22:50


--------------------


Благодарности:
Перейти в начало страницы
Вставить ник
+Цитировать сообщение
bengard
сообщение 6.1.2011, 7:08
Сообщение #33


Новенький на форуме
*
Группа: Присматриваюсь
Сообщений: 8
Регистрация: 27.3.2009

Благодарности: 34 раз(а)


Цитата(yarishNEW @ 6.1.2011, 2:44) *
Цитата(bengard @ 5.1.2011, 9:36) *
По этой схеме можно доработать приведенные выше схемы
На фото 2 и 3 уже есть цепочка обратной связи между ногой 2 и 7 компаратора.


Боюсь что в моей схеме нет обратной связи. Обратная связь может быть необходима если в качестве термодатчика используется элемент с низким ТКС (транзистор, диод) или например чтобы повысить точность при не очень хорошем блоке питания. Для схемы где датчиком служит терморезистор такой необходимости нет. Разность температуры переключения 0,5 градуса. Цепь стабилизации - это не что иное как источник опорного напряжения для измерительного моста, который позволяет работать схеме стабильнее даже при не очень хорошем блоке питания (под не очень хорошим я понимаю не стабилизированный БП, БП в котором не хватает мощности для такой нагрузки и напряжение при включении нагрузки проседает). На рис. 2 неплохая схема (почти такая же как у меня), но мне не нравится что в ней нет ключевого транзистора, конденсатор для подавления дребезга подключен сразу на выход микросхемы а это повышенная нагрузка на микросхему и не факт долгой и стабильной ее работы.

Цитата(yarishNEW)
bengard - схема приведенная Вами принципиально ничем не отличается от приведенных мною- типовая схема включения компаратора.

Это точно, т.к. схема типовая, различия только в деталях.


Благодарности:
Перейти в начало страницы
Вставить ник
+Цитировать сообщение
литовец
сообщение 6.1.2011, 9:19
Сообщение #34


Дмитрий-свой на Aquafanat.com.ua
*****
Группа: Журналисты
Сообщений: 4 390
Регистрация: 6.6.2009
Из: Клайпеда
Литва
Благодарности: 13451 раз(а)


hi.gif Вот уже прошло четыре дня я наладил свою.Избавился от гудения подбором переменного резистора.


--------------------
каждый суслик в поле агроном.


Благодарности:
Перейти в начало страницы
Вставить ник
+Цитировать сообщение
bengard
сообщение 6.1.2011, 13:31
Сообщение #35


Новенький на форуме
*
Группа: Присматриваюсь
Сообщений: 8
Регистрация: 27.3.2009

Благодарности: 34 раз(а)


Цитата(литовец @ 6.1.2011, 13:19) *
hi.gif Вот уже прошло четыре дня я наладил свою.Избавился от гудения подбором переменного резистора.

Мои поздравления good.gif . Окончательный вариант схемы с краткой инструкцией можно в студию?


Благодарности:
Перейти в начало страницы
Вставить ник
+Цитировать сообщение
литовец
сообщение 6.1.2011, 15:07
Сообщение #36


Дмитрий-свой на Aquafanat.com.ua
*****
Группа: Журналисты
Сообщений: 4 390
Регистрация: 6.6.2009
Из: Клайпеда
Литва
Благодарности: 13451 раз(а)


hi.gif И так схема http://smham.ucoz.ru/_pu/1/59980649.gif в ней R2 заменен на 5к. Другая проблема я не знаю номинала термистора (терморезистора) т.к. схема собиралась в праздничные дни,лепил из того что было под рукой.Из трех имеющихся подошел от китайского термометра.Транзистор кт829а(читал на просторах интернета что схема с ним работает лучше.)

Сообщение отредактировал литовец - 6.1.2011, 15:09


--------------------
каждый суслик в поле агроном.


Благодарности:
Перейти в начало страницы
Вставить ник
+Цитировать сообщение
yarishNEW
сообщение 7.1.2011, 11:10
Сообщение #37


Читатель, звать Олег
*****
Группа: Журналисты
Сообщений: 11 751
Регистрация: 11.1.2010
Из: Кременчуг
Украина Украина
Благодарности: 22517 раз(а)


Цитата(литовец @ 6.1.2011, 15:07) *
я не знаю номинала термистора (терморезистора)
Померяйте прибором при какой-то температуре - чтобы хоть приблизительно ориентироваться - схемы подкупают ничтожным количеством недефицитных деталей - возьму себе на вооружение.

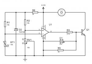
Вот моя схема терморегулятора для подколючения нагревателя - всё работает, номиналы указаны (изъял R6 и D2 т.к. решил поставить световую индикацию включения непосредственно на нагрузке - это более наглядно, более контролируемо). Работой схемы доволен.
Прикрепленное изображение


Сообщение отредактировал yarishNEW - 7.1.2011, 11:27


--------------------


Благодарности:
Перейти в начало страницы
Вставить ник
+Цитировать сообщение
литовец
сообщение 10.1.2011, 13:42
Сообщение #38


Дмитрий-свой на Aquafanat.com.ua
*****
Группа: Журналисты
Сообщений: 4 390
Регистрация: 6.6.2009
Из: Клайпеда
Литва
Благодарности: 13451 раз(а)


hi.gif yarishNEW При какой температуре в идеале мерить?

Сообщение отредактировал литовец - 10.1.2011, 14:07


--------------------
каждый суслик в поле агроном.
Перейти в начало страницы
Вставить ник
+Цитировать сообщение
yarishNEW
сообщение 10.1.2011, 13:53
Сообщение #39


Читатель, звать Олег
*****
Группа: Журналисты
Сообщений: 11 751
Регистрация: 11.1.2010
Из: Кременчуг
Украина Украина
Благодарности: 22517 раз(а)


Думаю, что это не принципиально где мерять - измеряйте как он стоит а акве, только температуру напишите при которой меряли.


--------------------


Благодарности:
Перейти в начало страницы
Вставить ник
+Цитировать сообщение
литовец
сообщение 10.1.2011, 14:08
Сообщение #40


Дмитрий-свой на Aquafanat.com.ua
*****
Группа: Журналисты
Сообщений: 4 390
Регистрация: 6.6.2009
Из: Клайпеда
Литва
Благодарности: 13451 раз(а)


hi.gif yarishNEW 24 градуса 13.74кОм. Датчик был выпаян из схемы.


--------------------
каждый суслик в поле агроном.


Благодарности:
Перейти в начало страницы
Вставить ник
+Цитировать сообщение

7 страниц V  < 1 2 3 4 > » 
Начать новую темуОтветить в данную тему
Теги
Нет тегов для показа


7 чел. читают эту тему (гостей: 7, скрытых пользователей: 0)
Пользователей: 0

Свернуть

> Похожие темы

  Тема Ответов Автор Просмотров Последнее сообщение
Нет новых В теме есть приложенияУкраина. Киев. Продам лучших в мире санитаров аквариума, креветок неокаридин
Креветки
249 Bahmut 363 311 8.11.2025, 17:40 Посл. сообщение: Bahmut
Нет новых В теме есть приложенияКоряги для вашего аквариума продам. Чернигов.
писать в тему
230 gigantic_bream 278 270 26.10.2025, 13:04 Посл. сообщение: gigantic_bream
Нет новых сообщений Перезапуск аквариума пострадавшего от нитчатки
2 algoll 40 749 3.8.2025, 23:51 Посл. сообщение: algoll
Нет новых сообщений В теме есть приложенияКоряги и готовые композиции для аквариума
3 Nick Cave 52 155 27.4.2024, 14:13 Посл. сообщение: Nick Cave
Закрыта Продам коряги для аквариума, террариума. Есть пересылка по странее
4 Nick Cave 44 987 4.1.2024, 20:48 Посл. сообщение: Nick Cave

 



Перейти в начало страницы RSS Текстовая версия Сейчас: 16.11.2025, 21:44